Glowworm Ultimate 60 LPG / FAN
Brand: Glowworm Range: ULTIMATE Model: 60 LPG
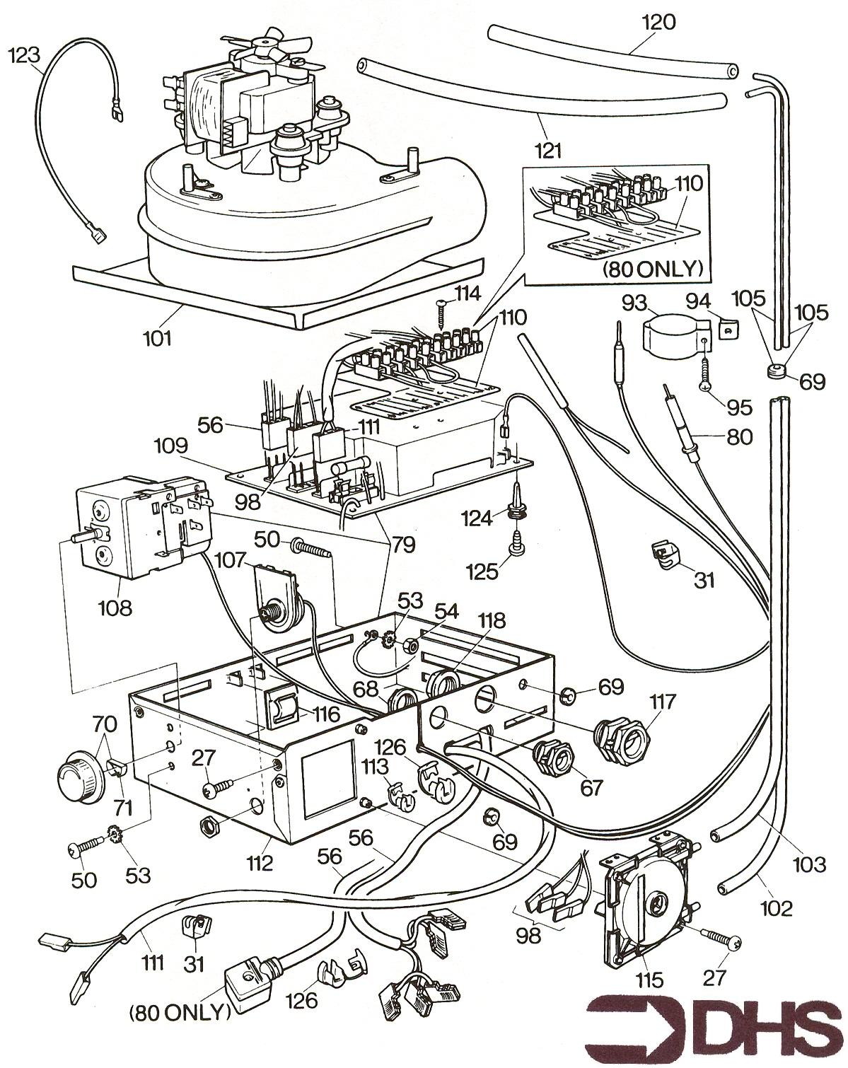
Here you will find all the spare parts for the Glowworm Ultimate 60 LPG. Can't find the part you're looking for? You can contact us and a member of our team will be more than happy to help find the part you need.
All of our boiler manuals are free to download from our boiler manuals section
