Glowworm Ultimate 60 LPG

We offer a wide range of spare parts for the Glowworm Ultimate 60 LPG. Can't find the part you're looking for? You can contact us (using the details at the bottom of the page) and we'll be happy to help you find the part you need.

All of our boiler manuals are free to download from our boiler manuals section.

BURNER logo
BURNER
CASING logo
CASING
FAN logo
FAN
FLUE SECTION logo
FLUE SECTION
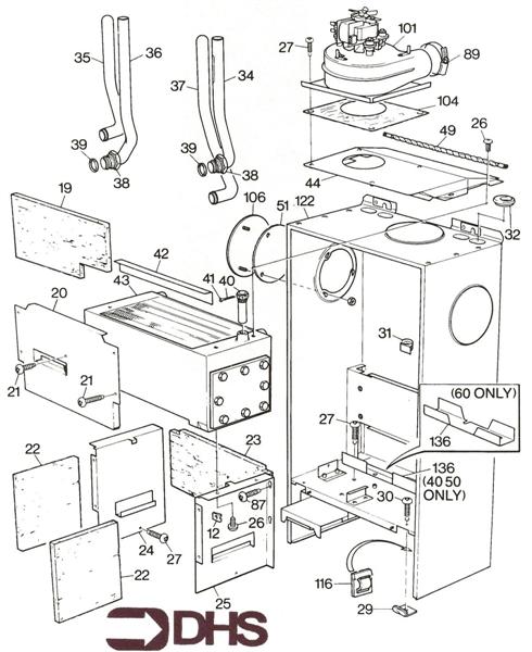
FULL PARTS LISTING FOR THIS MO
HEAT EXCHANGER logo
HEAT EXCHANGER
HYDRAULICS- SEALED SYSTEM KIT
NOT ILLUSTRATED
SHORT PARTS LIST