HYDROBOIL HS001 ELECTRIC

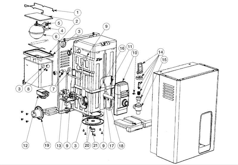
We offer a wide range of spare parts for the HYDROBOIL HS001 ELECTRIC. Can't find the part you're looking for? You can contact us (using the details at the bottom of the page) and we'll be happy to help you find the part you need.

All of our boiler manuals are free to download from our boiler manuals section.

ALL PARTS
EXPLODED VIEW logo
EXPLODED VIEW