Worcester WM 43800 ROO Wall Mounted Oil

We offer a wide range of spare parts for the Worcester WM 43800 ROO Wall Mounted Oil. Can't find the part you're looking for? You can contact us (using the details at the bottom of the page) and we'll be happy to help you find the part you need.

All of our boiler manuals are free to download from our boiler manuals section.

ADDITIONAL SPARE PARTS
ALL PARTS FOR THIS MODEL
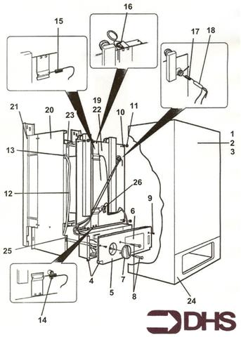
CASING - INNER logo
CASING - INNER
CASING - OUTER logo
CASING - OUTER
ELECTRICAL BOX ASSEMBLY logo
ELECTRICAL BOX ASSEMBLY
HEAT EXCHANGER logo
HEAT EXCHANGER
SHORT PARTS LIST