Worcester Hiflo 400 FSN NG Combi

We offer a wide range of spare parts for the Worcester Hiflo 400 FSN NG Combi. Can't find the part you're looking for? You can contact us (using the details at the bottom of the page) and we'll be happy to help you find the part you need.

All of our boiler manuals are free to download from our boiler manuals section.

ADDITIONAL SPARE PARTS
ALL PARTS FOR THIS MODEL
CASING logo
CASING
ELECTRICAL BOX ASSEMBLY logo
ELECTRICAL BOX ASSEMBLY
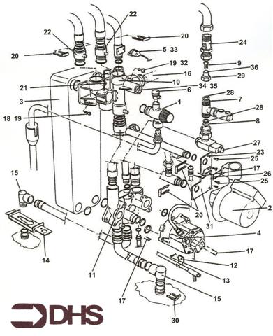
PUMP & HYDRAULIC ASSY (A) logo
PUMP & HYDRAULIC ASSY (A)
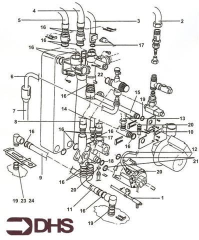
PUMP & HYDRAULIC ASSY (B) logo
PUMP & HYDRAULIC ASSY (B)
SHORT PARTS LIST
SUPERSTRUCTURE & HEAT EXCHANGE logo
SUPERSTRUCTURE & HEAT EXCHANGE
TANK & EXPANSION VESSEL logo
TANK & EXPANSION VESSEL