Worcester Greenstar ErP System Compact 30I / HYDRAULICS
Brand: Worcester Range: Greenstar ERP Model: System Compact 30I GC Number: 41-406-60
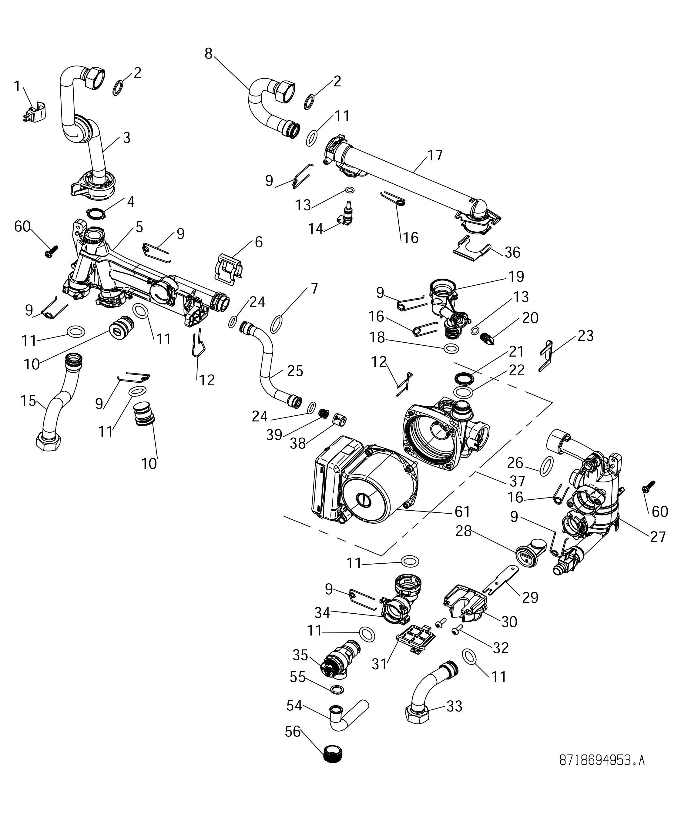
We have a wide range of spare parts for the Worcester Greenstar ErP System Compact 30I. Can't find the part you're looking for? You can contact us and a member of our team will be more than happy to help find the part you need.
Installation ManualAll of our boiler manuals are free to download from our boiler manuals section
55 Worcester Bosch 87101030450 Fibre Washer - 18.6x13.5x1.5 - 10 Pk - Junior/Si/CDi
Part No: 1012317 MPN: 87101030450
2 Worcester Bosch 87101030430 Fibre Washer - 23.9x17.2x1.5 - 10 Pk - Ri/Junior/CDi
Part No: 1012315 MPN: 87101030430
18 Worcester Bosch 87161165490 O'Ring - 13.87x3.53mm - Pack of 10 - CDi/Greenstar
Part No: 1019877 MPN: 87161165490
2 Worcester Bosch 87161156740 Single Washer - 23.9x17.2x1.5 - CDI/Junior/Greenstar
Part No: 1022054 MPN: 87161156740
11 Worcester Bosch 87167711540 O-Ring - 17mm x 4mm Pack of 10 - Ri/CDi/Danesmoor
Part No: 1019875 MPN: 87167711540
4 Worcester Bosch 87161122590 Bonded Washer - 19.9mm - Pack of 10 - CDi/Greenstar
Part No: 1030593 MPN: 87161122590
26 Worcester Bosch 87167713530 O-Ring - Pack of 10 - CDi/Greenstar/Heatslave
Part No: 1019889 MPN: 87167713530
