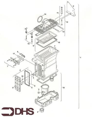
Worcester CS1 NG 28KW FSN Condensing Combi

We offer a wide range of spare parts for the Worcester CS1 NG 28KW FSN Condensing Combi. Can't find the part you're looking for? You can contact us (using the details at the bottom of the page) and we'll be happy to help you find the part you need.

All of our boiler manuals are free to download from our boiler manuals section.

ALL PARTS FOR THIS MODEL
BURNER/HEAT EXCHANGER logo
BURNER/HEAT EXCHANGER
CONTROL BOX logo
CONTROL BOX
GAS VALVE logo
GAS VALVE
PUMP/TUBES logo
PUMP/TUBES
SERVICE/INSTALLATION logo
SERVICE/INSTALLATION
SHEET METAL
SHORT PARTS LIST