Worcester CBI 15 NG Fon

We offer a wide range of spare parts for the Worcester CBI 15 NG Fon. Can't find the part you're looking for? You can contact us (using the details at the bottom of the page) and we'll be happy to help you find the part you need.

All of our boiler manuals are free to download from our boiler manuals section.

ADDITIONAL SPARE PARTS
ALL PARTS FOR THIS MODEL
ELECTRICAL BOX ASSEMBLY logo
ELECTRICAL BOX ASSEMBLY
FAN/ PRESSURE SWITCH logo
FAN/ PRESSURE SWITCH
GAS VALVE/ BURNER logo
GAS VALVE/ BURNER
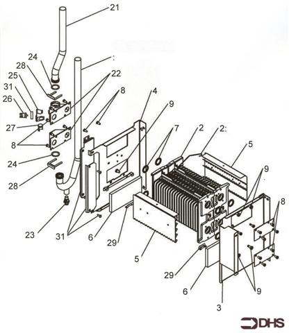
HEAT EXCHANGER/ PIPES logo
HEAT EXCHANGER/ PIPES
SHORT PARTS LIST
SUPERSTRUCTURE AND CASE logo
SUPERSTRUCTURE AND CASE