DANEMORE 12/14-RSO-GB SYSV1 OL

We offer a wide range of spare parts for the DANEMORE 12/14-RSO-GB SYSV1 OL. Can't find the part you're looking for? You can contact us (using the details at the bottom of the page) and we'll be happy to help you find the part you need.

All of our boiler manuals are free to download from our boiler manuals section.

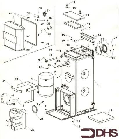
12/14-B9A DRAWING
ALL PARTS FOR THIS MODEL
BAFFLE
CASING logo
CASING
ELECTRICAL
ELECTRICAL logo
ELECTRICAL
HEAT EXCHANGER logo
HEAT EXCHANGER
PUMP logo
PUMP
PUMP
SHORTS PARTS LIST