Vokera Sabre 29 HE System

We offer a wide range of spare parts for the Vokera Sabre 29 HE System. Can't find the part you're looking for? You can contact us (using the details at the bottom of the page) and we'll be happy to help you find the part you need.

All of our boiler manuals are free to download from our boiler manuals section.

ALL PARTS FOR THIS MODEL
BURNER ASSY logo
BURNER ASSY
EXPANSION - PUMP - HEAT EXCHAN logo
EXPANSION - PUMP - HEAT EXCHAN
FAN ASSY logo
FAN ASSY
FRAME, FRONT PANEL, CASE logo
FRAME, FRONT PANEL, CASE
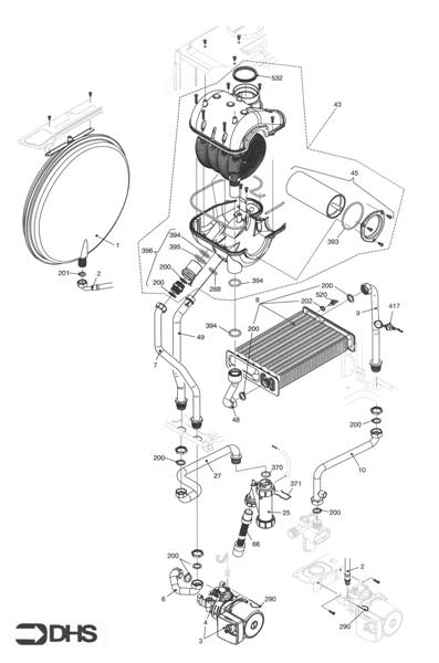
HEAT EXCHANGER & PIPEWORK ASSY logo
HEAT EXCHANGER & PIPEWORK ASSY
SHORT PARTS LIST