Vokera Mynute 29 EHE

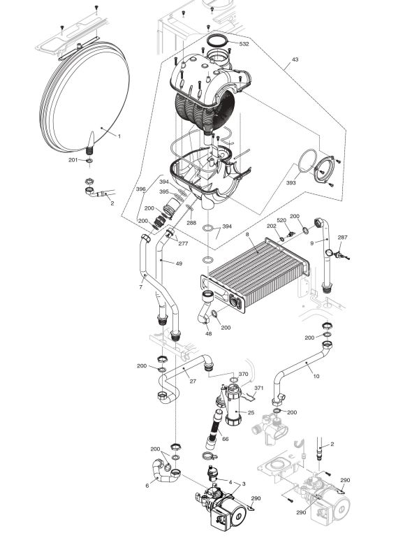
We offer a wide range of spare parts for the Vokera Mynute 29 EHE. Can't find the part you're looking for? You can contact us (using the details at the bottom of the page) and we'll be happy to help you find the part you need.

All of our boiler manuals are free to download from our boiler manuals section.

ALL PARTS
BURNER COMPONENTS/AIRBOX
COMBUSTION CHAMBER/FLUE DRAIN logo
COMBUSTION CHAMBER/FLUE DRAIN
ELECTRIC/CASE COMPONENTS logo
ELECTRIC/CASE COMPONENTS
HYDRAULIC COMPONENTS 1 logo
HYDRAULIC COMPONENTS 1
HYDRAULIC COMPONENTS 2 logo
HYDRAULIC COMPONENTS 2
SHORT PARTS