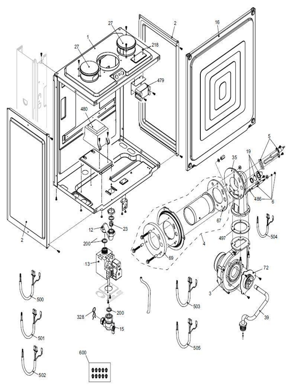
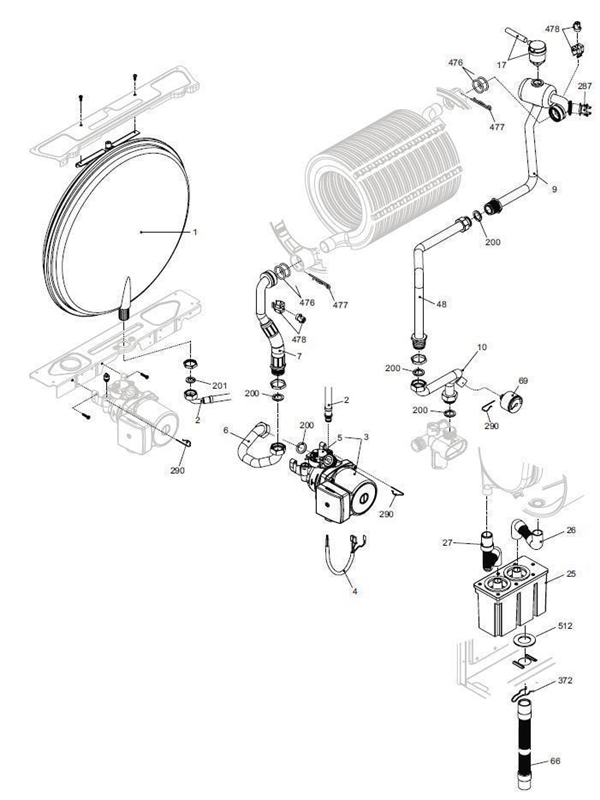
Vokera Linea 36 HE

We offer a wide range of spare parts for the Vokera Linea 36 HE. Can't find the part you're looking for? You can contact us (using the details at the bottom of the page) and we'll be happy to help you find the part you need.

All of our boiler manuals are free to download from our boiler manuals section.

AIR BOX/FAN ASSEMBLY logo
AIR BOX/FAN ASSEMBLY
ALL PARTS
EXPANSION VESSEL logo
EXPANSION VESSEL
FRAME ASSEMBLY logo
FRAME ASSEMBLY
HEAT EXCHANGER logo
HEAT EXCHANGER
HYDRAULICS logo
HYDRAULICS