Valor Homeflame Unigas (From S/N 10G

We offer a wide range of spare parts for the Valor Homeflame Unigas (From S/N 10G. Can't find the part you're looking for? You can contact us (using the details at the bottom of the page) and we'll be happy to help you find the part you need.

All of our boiler manuals are free to download from our boiler manuals section.

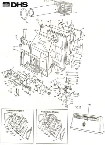
ALL PARTS FOR THIS MODEL
FUNCTIONAL PARTS FR SN 10G000 logo
FUNCTIONAL PARTS FR SN 10G000