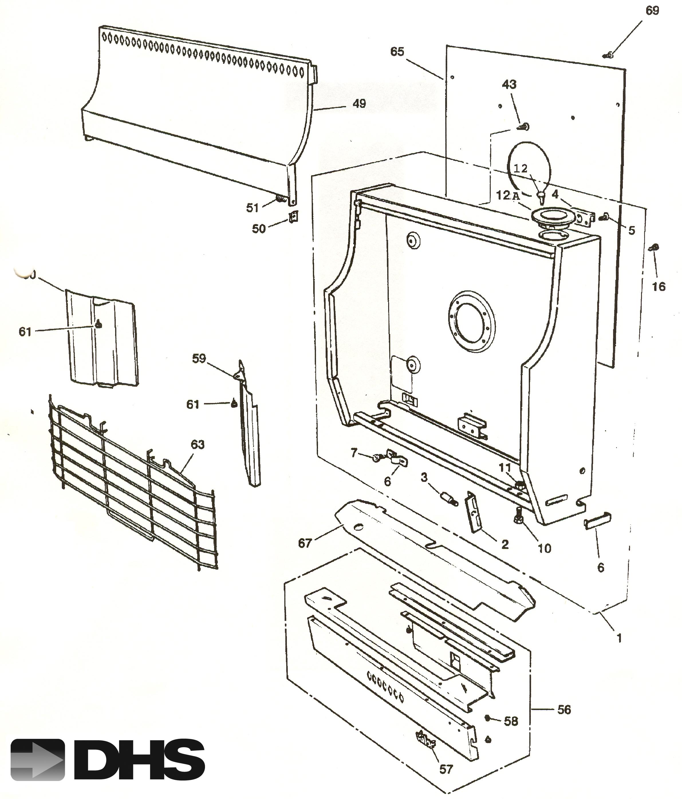
Valor Firelite Plus Black Model 328 / CASE/CLOSURE PLATE
Brand: Valor Range: FirElite Model: Plus Black Model 328 GC Number: 32-811-35
Here you will find all the spare parts for the Valor Firelite Plus Black Model 328. Can't find the part you're looking for? You can contact us and a member of our team will be more than happy to help find the part you need.
All of our boiler manuals are free to download from our boiler manuals section
