Vaillant VU 202/2-5 R3 (2004-2008)

We offer a wide range of spare parts for the Vaillant VU 202/2-5 R3 (2004-2008). Can't find the part you're looking for? You can contact us (using the details at the bottom of the page) and we'll be happy to help you find the part you need.

All of our boiler manuals are free to download from our boiler manuals section.

AIR PRESSURE CHAMBER,FAN logo
AIR PRESSURE CHAMBER,FAN
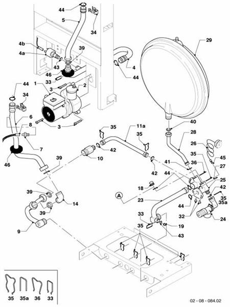
ALL PARTS
BURNER logo
BURNER
CASING PARTS logo
CASING PARTS
CONNECTING ACCESSORIES logo
CONNECTING ACCESSORIES
CONTROL BOX logo
CONTROL BOX
GAS SECTION logo
GAS SECTION
HEAT EXCHANGER logo
HEAT EXCHANGER
HYDRAULIC PARTS logo
HYDRAULIC PARTS