Myson Apollo 40 S / COMPLETE MODEL
Brand: Myson Range: APOLLO Model: 40 S
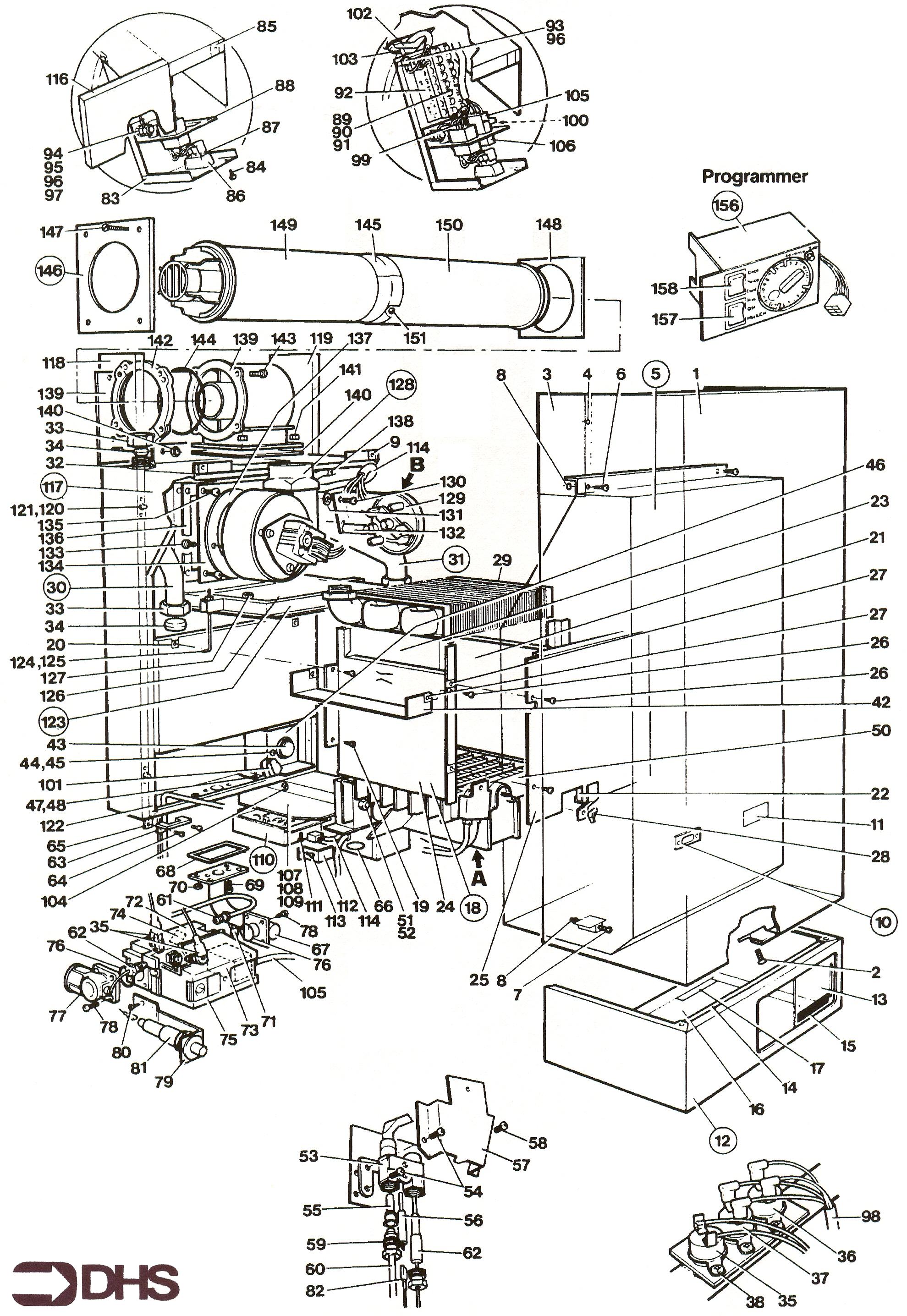
We have a wide range of spare parts for the Myson Apollo 40 S. Can't find the part you're looking for? You can contact us and a member of our team will be more than happy to help find the part you need.
All of our boiler manuals are free to download from our boiler manuals section
