Myson Apollo 30 B LPG / COMPLETE MODEL
Brand: Myson Range: APOLLO Model: 30 B LPG
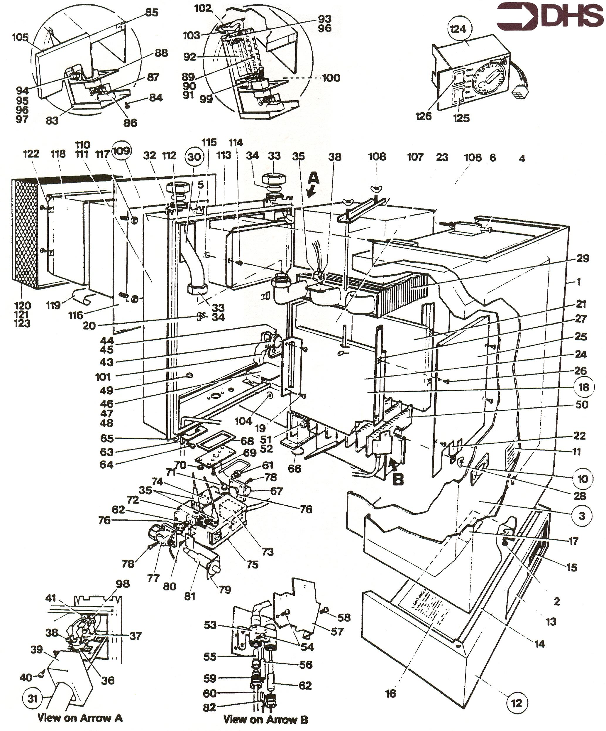
We have a range of spare parts for the Myson Apollo 30 B LPG. Can't find the part you're looking for? You can contact us and a member of our team will be more than happy to help find the part you need.
All of our boiler manuals are free to download from our boiler manuals section
