Sime Format System 24 HE

We offer a wide range of spare parts for the Sime Format System 24 HE. Can't find the part you're looking for? You can contact us (using the details at the bottom of the page) and we'll be happy to help you find the part you need.

All of our boiler manuals are free to download from our boiler manuals section.

ALL PARTS
ALL PARTS
CASE/PANEL ASSEMBLY logo
CASE/PANEL ASSEMBLY
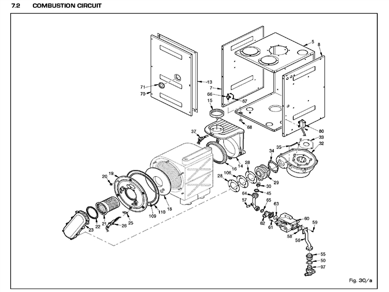
COMBUSTION CIRCUIT logo
COMBUSTION CIRCUIT
HYDRAULIC CIRCUIT logo
HYDRAULIC CIRCUIT