Glowworm HXI 18

We offer a wide range of spare parts for the Glowworm HXI 18. Can't find the part you're looking for? You can contact us (using the details at the bottom of the page) and we'll be happy to help you find the part you need.

All of our boiler manuals are free to download from our boiler manuals section.

CASING logo
CASING
CHASSIS logo
CHASSIS
CONTROL BOX ASSY logo
CONTROL BOX ASSY
FLUES - HORIZONTAL FLUE
FLUES - PLUME MANAGEMENT KIT
FLUES - TELESCOPIC FLUE
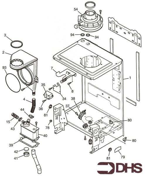
FULL PARTS LISTING FOR THIS MO
HEAT EXCHANGER logo
HEAT EXCHANGER
NOT ILLUSTRATED
SHORT PARTS LIST