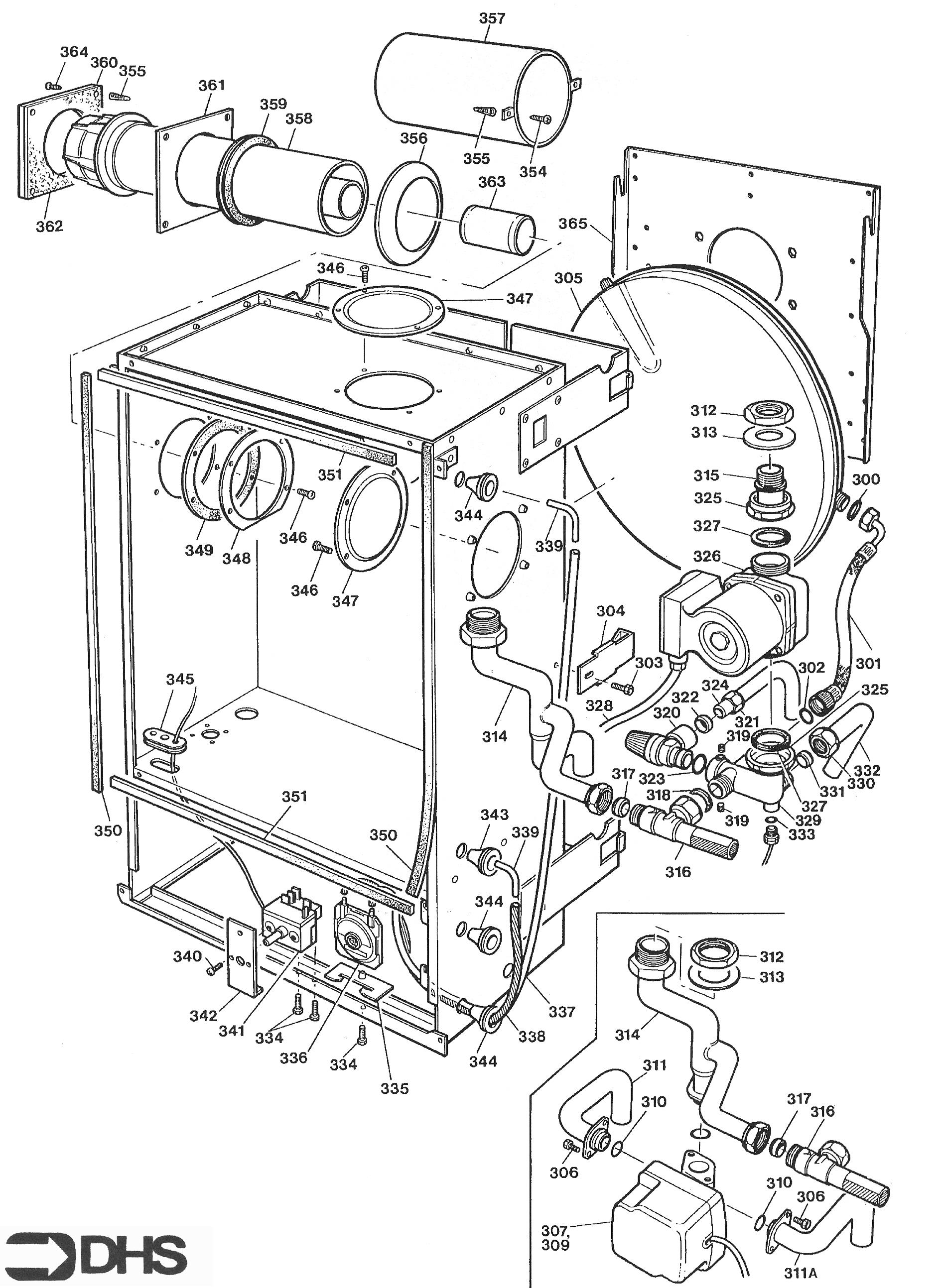
Potterton Ultra 2 60 Dv / CASING - FLUE
Brand: Potterton Range: ULTRA 2 Model: 60 DV GC Number: 41-607-53
We have a range of spare parts for the Potterton Ultra 2 60 Dv. Can't find the part you're looking for? You can contact us and a member of our team will be more than happy to help find the part you need.
All of our boiler manuals are free to download from our boiler manuals section
