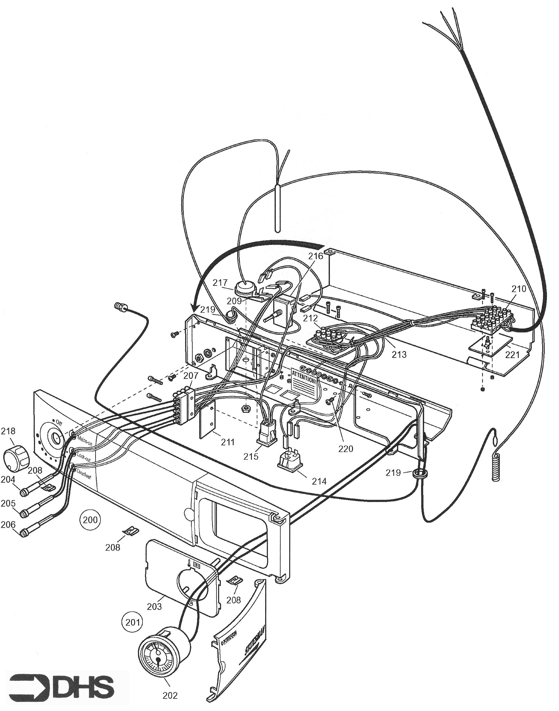
Potterton Statesman System / CONTROL ASSY

Brand: Potterton Range: StateSMAN Model: System

Here you will find all the spare parts for the Potterton Statesman System. Can't find the part you're looking for? You can contact us and a member of our team will be more than happy to help find the part you need.

All of our boiler manuals are free to download from our boiler manuals section

POTTERTON 26009097 LIMIT THERMOSTAT 217

POTTERTON 26009097 LIMIT THERMOSTAT

Part No: 1121969 MPN: 26009097

Sorry, this part is now obsolete

View Part Details
211

POTTERTON 26002101 TERM.BLOCK INS.6 WAY M/C

Part No: 1121885 MPN: 26002101

Sorry, this part is now obsolete

View Part Details
215

POTTERTON 26009016 4 PIN BURNER SOCKET

Part No: 1121950 MPN: 26009016

Sorry, this part is now obsolete

View Part Details
221

MYSON 26009094 TERMINAL BLOCK INSULATION

Part No: 1130628 MPN: 26009094

Sorry, this part is now obsolete

View Part Details
214

POTTERTON 26009003 3 PIN MAINS SOCKET

Part No: 1121941 MPN: 26009003

Sorry, this part is now obsolete

View Part Details
219

POTTERTON 26009050 GROMMET

Part No: 1121963 MPN: 26009050

Sorry, this part is now obsolete

View Part Details
POTTERTON 26002014 CONTROL KNOB 218

POTTERTON 26002014 CONTROL KNOB

Part No: 1121875 MPN: 26002014

Sorry, this part is now obsolete

View Part Details
POTTERTON 26009011 NEON INDICATOR GREEN 206

POTTERTON 26009011 NEON INDICATOR GREEN

Part No: 1121946 MPN: 26009011

Sorry, this part is now obsolete

View Part Details
220

POTTERTON 633926 SCREW PANPOZ M5X10 MS NP

Part No: 1124205 MPN: 633926

Sorry, this part is now obsolete

View Part Details
200

POTTERTON 26002138 FACIA ASSY 20/25

Part No: 1121896 MPN: 26002138

Sorry, this part is now obsolete

View Part Details
207

POTTERTON 26009027 TERMINAL PLUG 6 WAY

Part No: 1121955 MPN: 26009027

Sorry, this part is now obsolete

View Part Details
202

POTTERTON PRESSURE/TEMP GAUGE

Part No: 1120189 MPN: 10/19345

Sorry, this part is now obsolete

View Part Details
205

POTTERTON 26009010 NEON INDICATOR AMBER

Part No: 1121945 MPN: 26009010

Sorry, this part is now obsolete

View Part Details
209

POTTERTON 6330005110 TERMINAL ADAPTOR

Part No: 1124187 MPN: 6330005110

Sorry, this part is now obsolete

View Part Details
212

POTTERTON 26002102 TERM.BLOCK INS.4 WAY M/C

Part No: 1121886 MPN: 26002102

Sorry, this part is now obsolete

View Part Details
17 products found