Potterton Profile 100 E NG

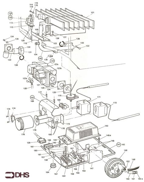
We offer a wide range of spare parts for the Potterton Profile 100 E NG. Can't find the part you're looking for? You can contact us (using the details at the bottom of the page) and we'll be happy to help you find the part you need.

All of our boiler manuals are free to download from our boiler manuals section.

ALL PARTS FOR THIS MODEL
BOILER ASSY logo
BOILER ASSY
CASING AND FLUE ASSY logo
CASING AND FLUE ASSY
GAS AND BOILER CONTROL ASSY logo
GAS AND BOILER CONTROL ASSY
MISCELLANEOUS
SHORT PARTS LIST
WIRING DIAGRAM AND CABLE