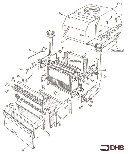
Potterton Prima C 30C

We offer a wide range of spare parts for the Potterton Prima C 30C. Can't find the part you're looking for? You can contact us (using the details at the bottom of the page) and we'll be happy to help you find the part you need.

All of our boiler manuals are free to download from our boiler manuals section.

ALL PARTS FOR THIS MODEL
BALANCED FLUE DUCT ASSY logo
BALANCED FLUE DUCT ASSY
BOILER ASSY logo
BOILER ASSY
BOILER ASSY TYPE 2 logo
BOILER ASSY TYPE 2
CONTROLS COVER DOOR AND CASING logo
CONTROLS COVER DOOR AND CASING
GAS AND BOILER CONTROL ASSY logo
GAS AND BOILER CONTROL ASSY
SHORT PARTS LIST