Potterton Osprey CF 220

We offer a wide range of spare parts for the Potterton Osprey CF 220. Can't find the part you're looking for? You can contact us (using the details at the bottom of the page) and we'll be happy to help you find the part you need.

All of our boiler manuals are free to download from our boiler manuals section.

ALL PARTS FOR THIS MODEL
BURNER ASSY logo
BURNER ASSY
CASING ASSY logo
CASING ASSY
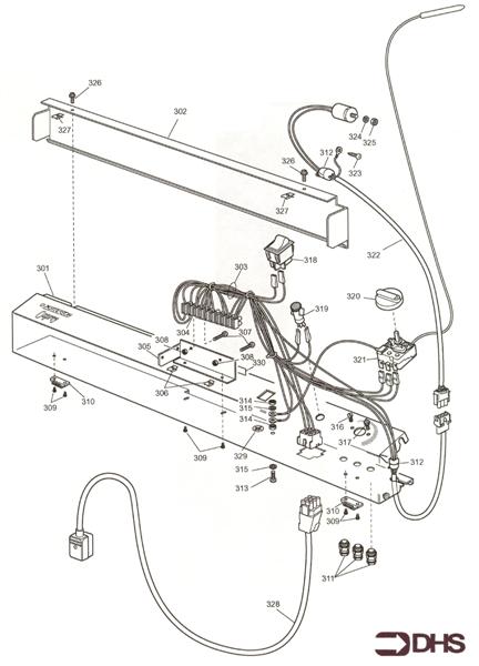
CONTROL ASSY logo
CONTROL ASSY
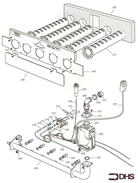
HEAT EXCHANGER - FLUE ASSY logo
HEAT EXCHANGER - FLUE ASSY