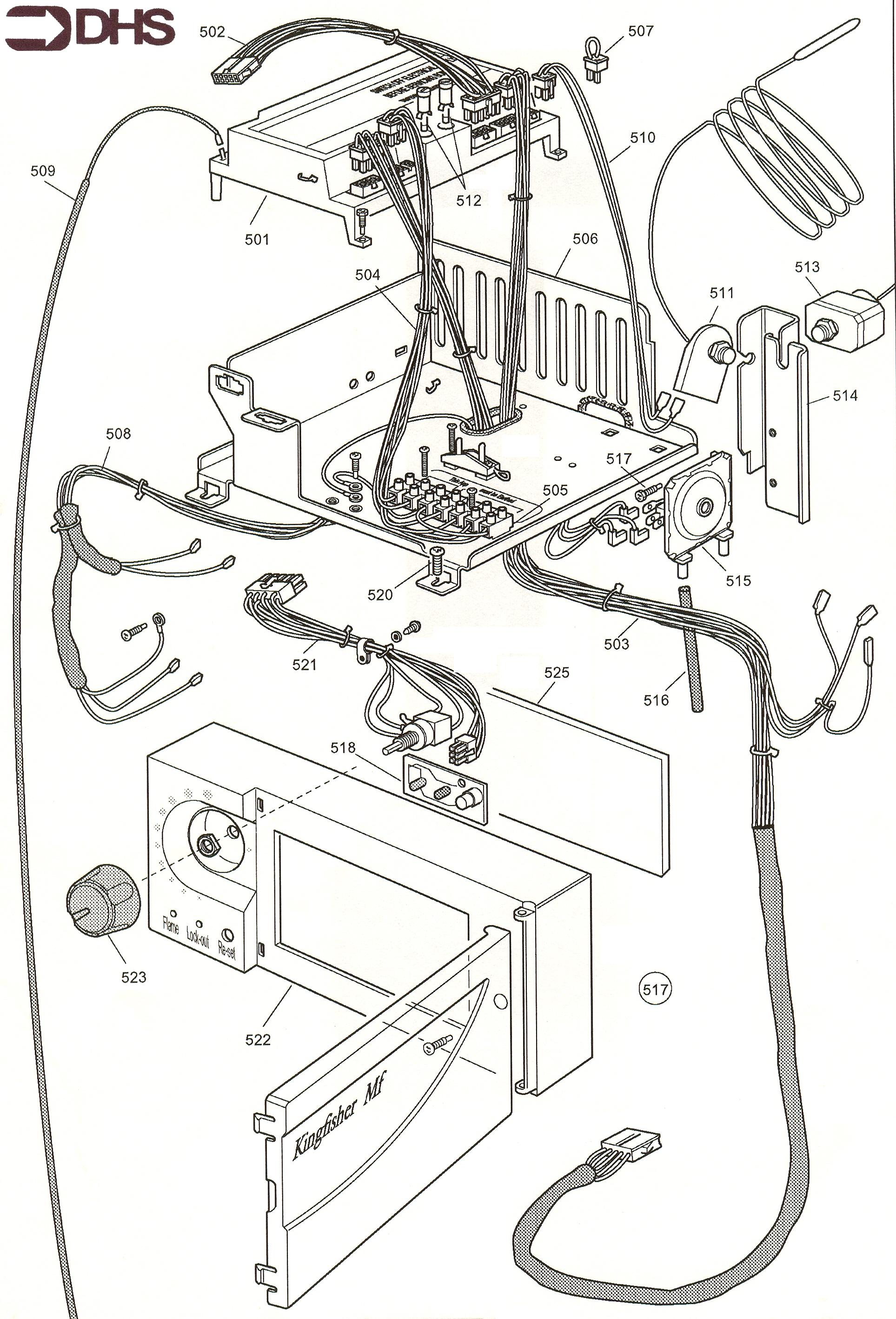
Potterton Kingfisher Mf CF 50 / CONTROL PANEL ASSY
Brand: Potterton Range: KINGFISHER MF Model: CF 50 GC Number: 41-589-03
Here you will find all the spare parts for the Potterton Kingfisher Mf CF 50. Can't find the part you're looking for? You can contact us and a member of our team will be more than happy to help find the part you need.
All of our boiler manuals are free to download from our boiler manuals section
