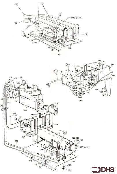
Potterton Kingfisher CF 40A

We offer a wide range of spare parts for the Potterton Kingfisher CF 40A. Can't find the part you're looking for? You can contact us (using the details at the bottom of the page) and we'll be happy to help you find the part you need.

All of our boiler manuals are free to download from our boiler manuals section.

ALL PARTS FOR THIS MODEL
CASING ASSY logo
CASING ASSY
GAS & CONTROL MODULE ASSY logo
GAS & CONTROL MODULE ASSY
HEAT EXCH / COMB & FLUEHOOD AS logo
HEAT EXCH / COMB & FLUEHOOD AS
SHORT PARTS LIST