Potterton Fireside 35/51 Bbu LPG

We offer a wide range of spare parts for the Potterton Fireside 35/51 Bbu LPG. Can't find the part you're looking for? You can contact us (using the details at the bottom of the page) and we'll be happy to help you find the part you need.

All of our boiler manuals are free to download from our boiler manuals section.

ALL PARTS FOR THIS MODEL
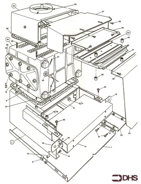
COMB. CHAMBER logo
COMB. CHAMBER
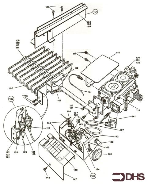
GAS & CONTROL BOX logo
GAS & CONTROL BOX
SHORT PARTS LIST