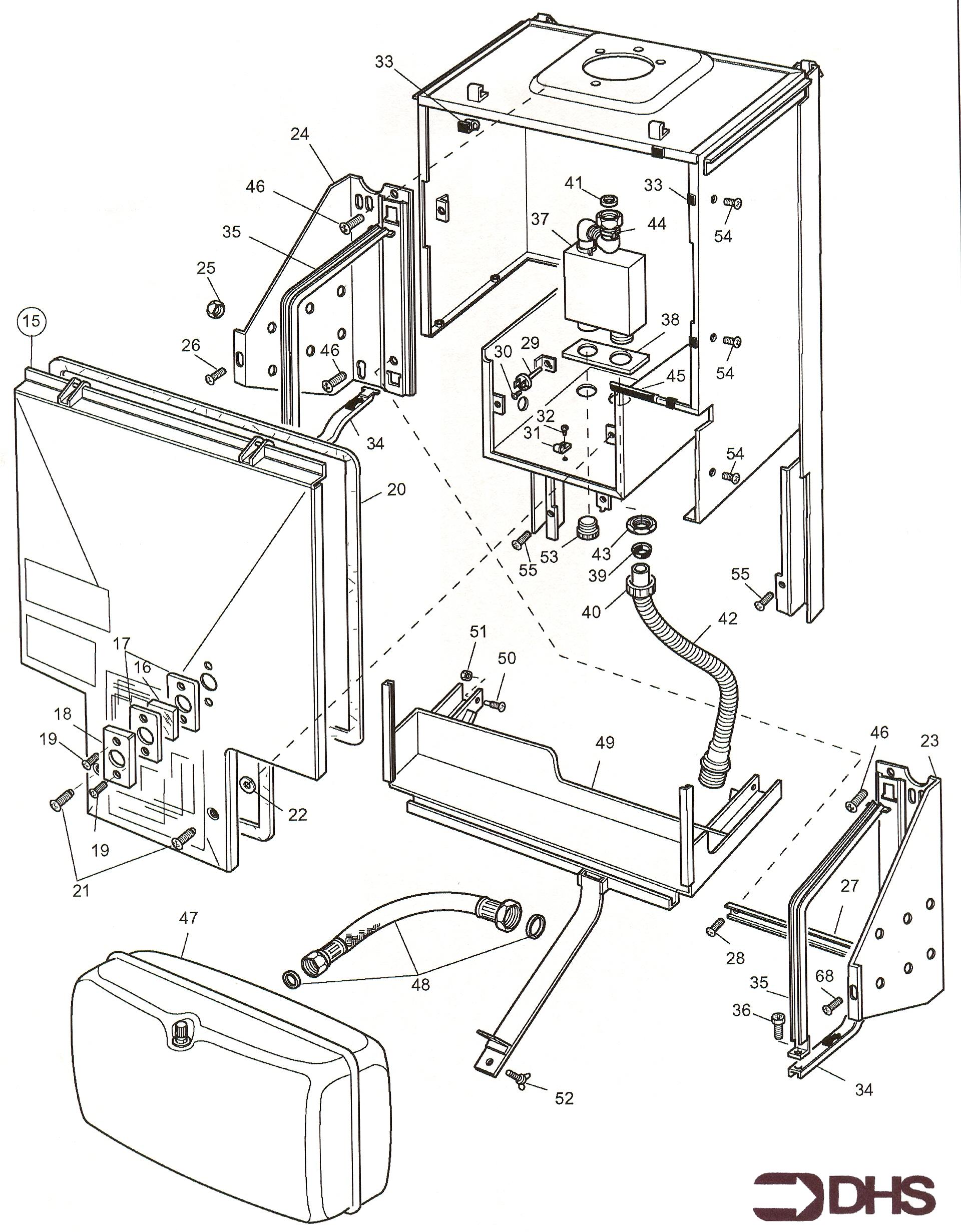
Potterton Envoy System 50 / OUTER CASING ASSY
Brand: Potterton Range: ENVOY Model: System 50 GC Number: 41-607-86
We have a range of spare parts for the Potterton Envoy System 50. Can't find the part you're looking for? You can contact us and a member of our team will be more than happy to help find the part you need.
Installation ManualAll of our boiler manuals are free to download from our boiler manuals section
