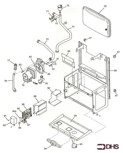
Baxi Solo 3 Pf System 30

We offer a wide range of spare parts for the Baxi Solo 3 Pf System 30. Can't find the part you're looking for? You can contact us (using the details at the bottom of the page) and we'll be happy to help you find the part you need.

All of our boiler manuals are free to download from our boiler manuals section.

ALL PARTS FOR THIS MODEL
BOX COMBUSTION logo
BOX COMBUSTION
CONTROLS & HYDRAULICS logo
CONTROLS & HYDRAULICS
FAN ASSY logo
FAN ASSY
FLUE ASSY logo
FLUE ASSY
MOUNTING BRACKET logo
MOUNTING BRACKET
OUTER CASE ASSY logo
OUTER CASE ASSY
SHORT PARTS LIST logo
SHORT PARTS LIST
SHORT PARTS LIST
WIRING HARNESS logo
WIRING HARNESS