Potterton Suprima 30 System Boiler Kit

We offer a wide range of spare parts for the Potterton Suprima 30 System Boiler Kit. Can't find the part you're looking for? You can contact us (using the details at the bottom of the page) and we'll be happy to help you find the part you need.

All of our boiler manuals are free to download from our boiler manuals section.

ALL PARTS FOR THIS MODEL
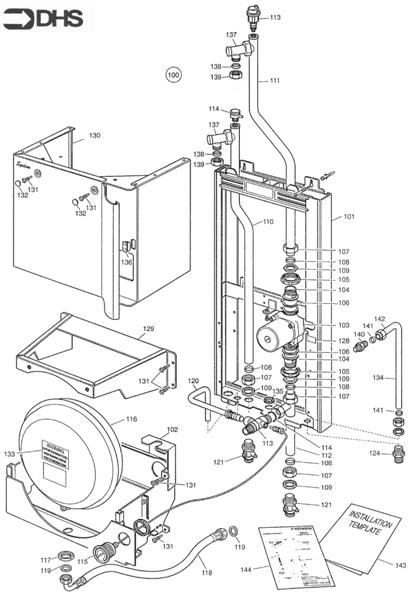
FRAME MODULE ASSY logo
FRAME MODULE ASSY
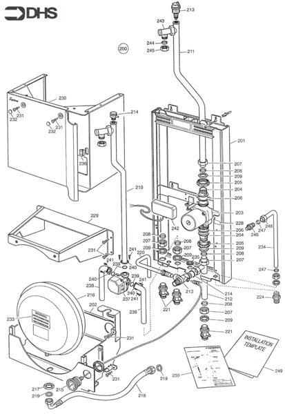
FRAME MODULE ASSY - DV logo
FRAME MODULE ASSY - DV