Potterton Netaheat Profile 60E NG

We offer a wide range of spare parts for the Potterton Netaheat Profile 60E NG. Can't find the part you're looking for? You can contact us (using the details at the bottom of the page) and we'll be happy to help you find the part you need.

All of our boiler manuals are free to download from our boiler manuals section.

ALL PARTS FOR THIS MODEL
BOILER ASSY logo
BOILER ASSY
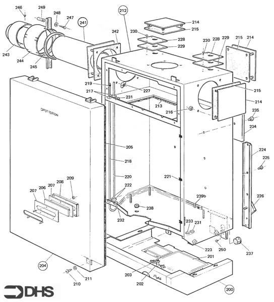
CASING - FLUE ASSY logo
CASING - FLUE ASSY
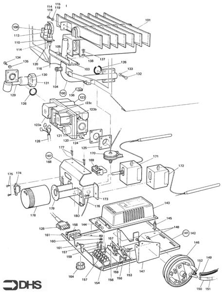
GAS - BOILER CONTROL ASSY logo
GAS - BOILER CONTROL ASSY
SHORT PARTS LIST
WIRING DIAGRAM - CABLE SCHEDUL logo
WIRING DIAGRAM - CABLE SCHEDUL