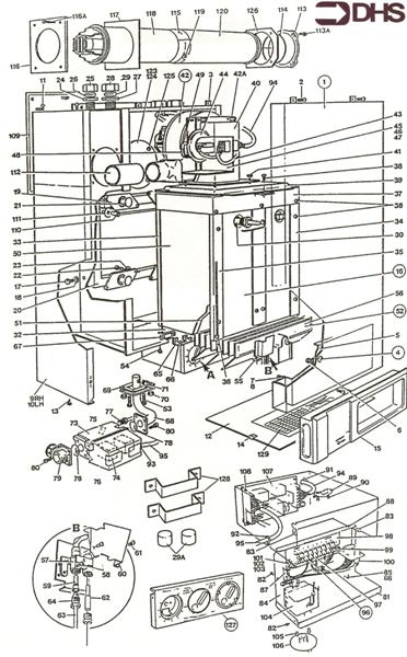
Myson Orion 75 SI

We offer a wide range of spare parts for the Myson Orion 75 SI. Can't find the part you're looking for? You can contact us (using the details at the bottom of the page) and we'll be happy to help you find the part you need.

All of our boiler manuals are free to download from our boiler manuals section.

ALL PARTS FOR THIS MODEL
COMPLETE DIAGRAM logo
COMPLETE DIAGRAM
SHORTS PARTS LIST