Myson Marathon Mk2 70 C / BURNER
Brand: Myson Range: MARATHON Model: MK2 70 C
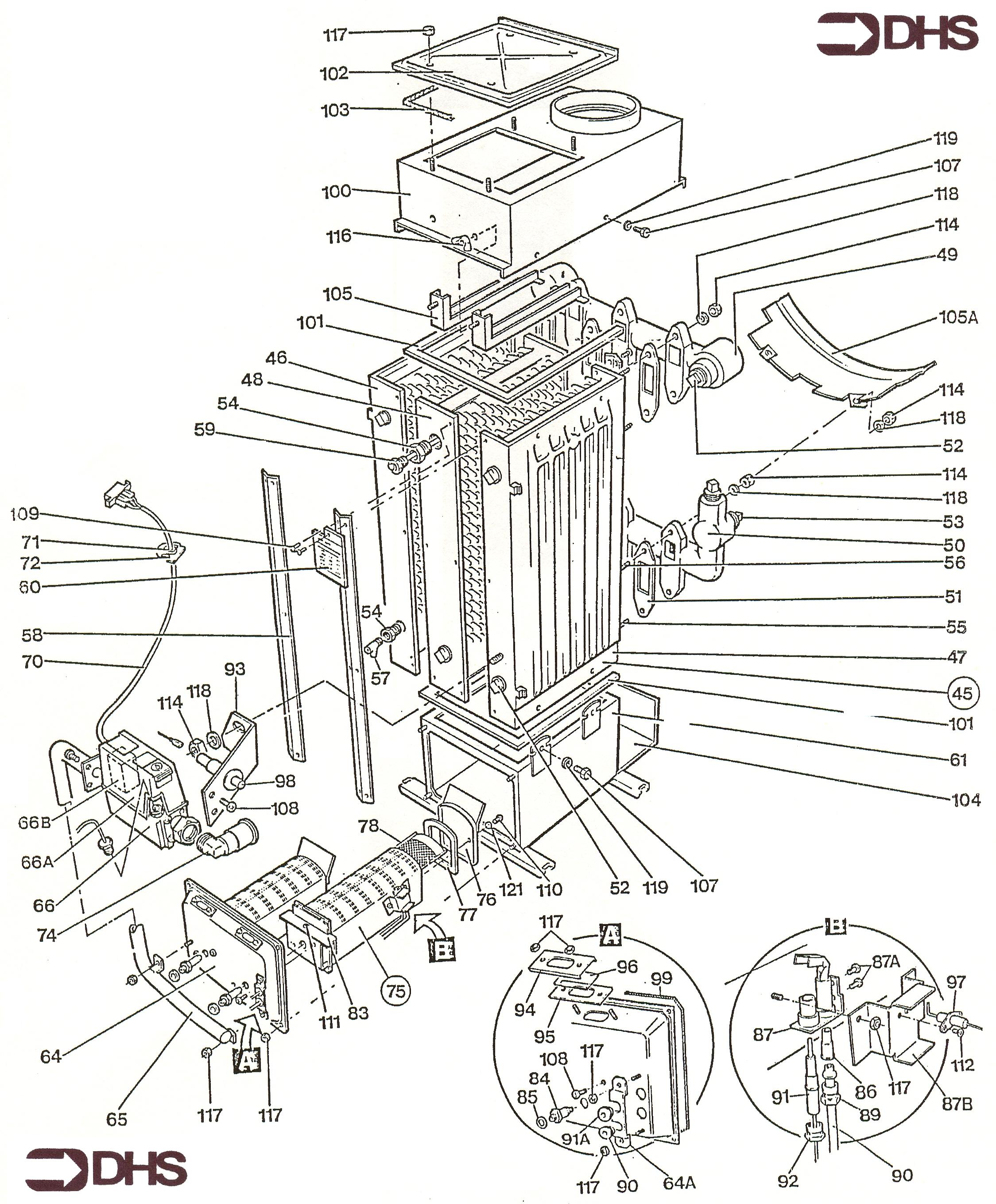
Here you can find the spare parts for the Myson Marathon Mk2 70 C. Can't find the part you're looking for? You can contact us and a member of our team will be more than happy to help find the part you need.
All of our boiler manuals are free to download from our boiler manuals section
