Myson Apollo Fanfare 40 S

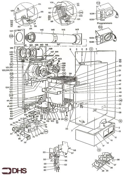
We offer a wide range of spare parts for the Myson Apollo Fanfare 40 S. Can't find the part you're looking for? You can contact us (using the details at the bottom of the page) and we'll be happy to help you find the part you need.

All of our boiler manuals are free to download from our boiler manuals section.

ALL PARTS FOR THIS MODEL
COMPLETE MODEL logo
COMPLETE MODEL
SHORTS PARTS LIST