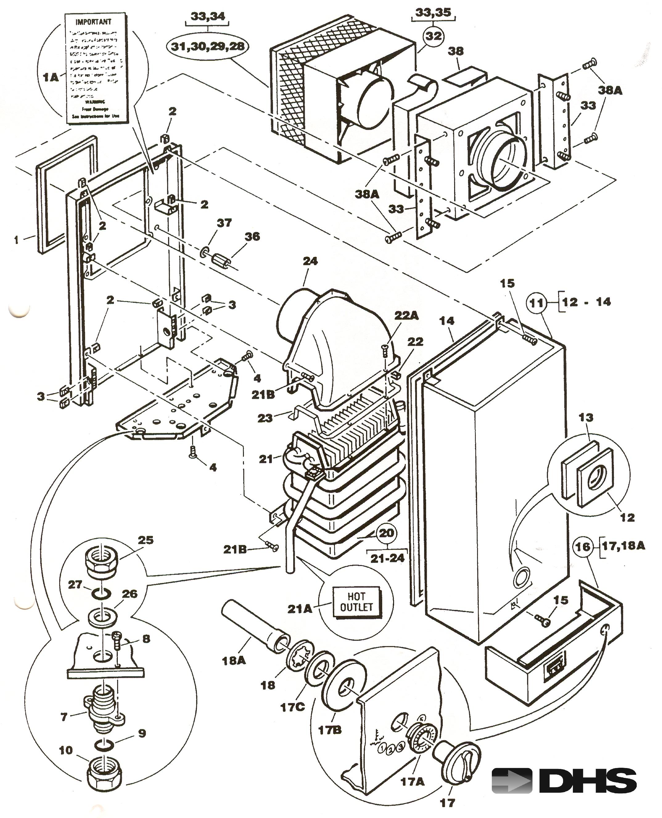
Main Thames / OUTER CASING HEAT EXCHANGER &
Brand: Main Spare Parts Range: THAMES GC Number: 52-476-21
Here you will find all the spare parts for the Main Spare Parts Thames. Can't find the part you're looking for? You can contact us and a member of our team will be more than happy to help find the part you need.
All of our boiler manuals are free to download from our boiler manuals section
