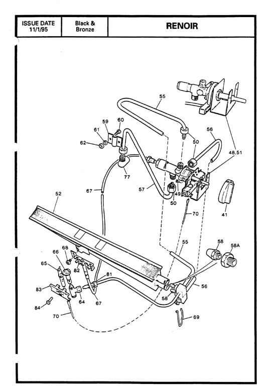
Flavel Renoir NG ODS

We offer a wide range of spare parts for the Flavel Renoir NG ODS. Can't find the part you're looking for? You can contact us (using the details at the bottom of the page) and we'll be happy to help you find the part you need.

All of our boiler manuals are free to download from our boiler manuals section.

ALL PARTS
CANOPY logo
CANOPY
FIREBOX ASSEMBLY logo
FIREBOX ASSEMBLY
GAS PARTS logo
GAS PARTS