Intergas Compact 18 SB

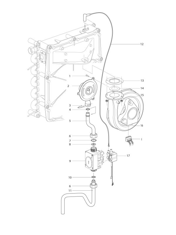
We offer a wide range of spare parts for the Intergas Compact 18 SB. Can't find the part you're looking for? You can contact us (using the details at the bottom of the page) and we'll be happy to help you find the part you need.

All of our boiler manuals are free to download from our boiler manuals section.

ALL PARTS
BOILER COMPONENTS
BOILER CONTROL
BURNER logo
BURNER
COVER PLATE
FLUE CONDENSATE SYSTEM
GAS VALVE & FAN logo
GAS VALVE & FAN
HEAT EXCHANGER logo
HEAT EXCHANGER
MOUNTING & ACCESSORIES
OUTER CASE
SERVICE KIT
WIRING