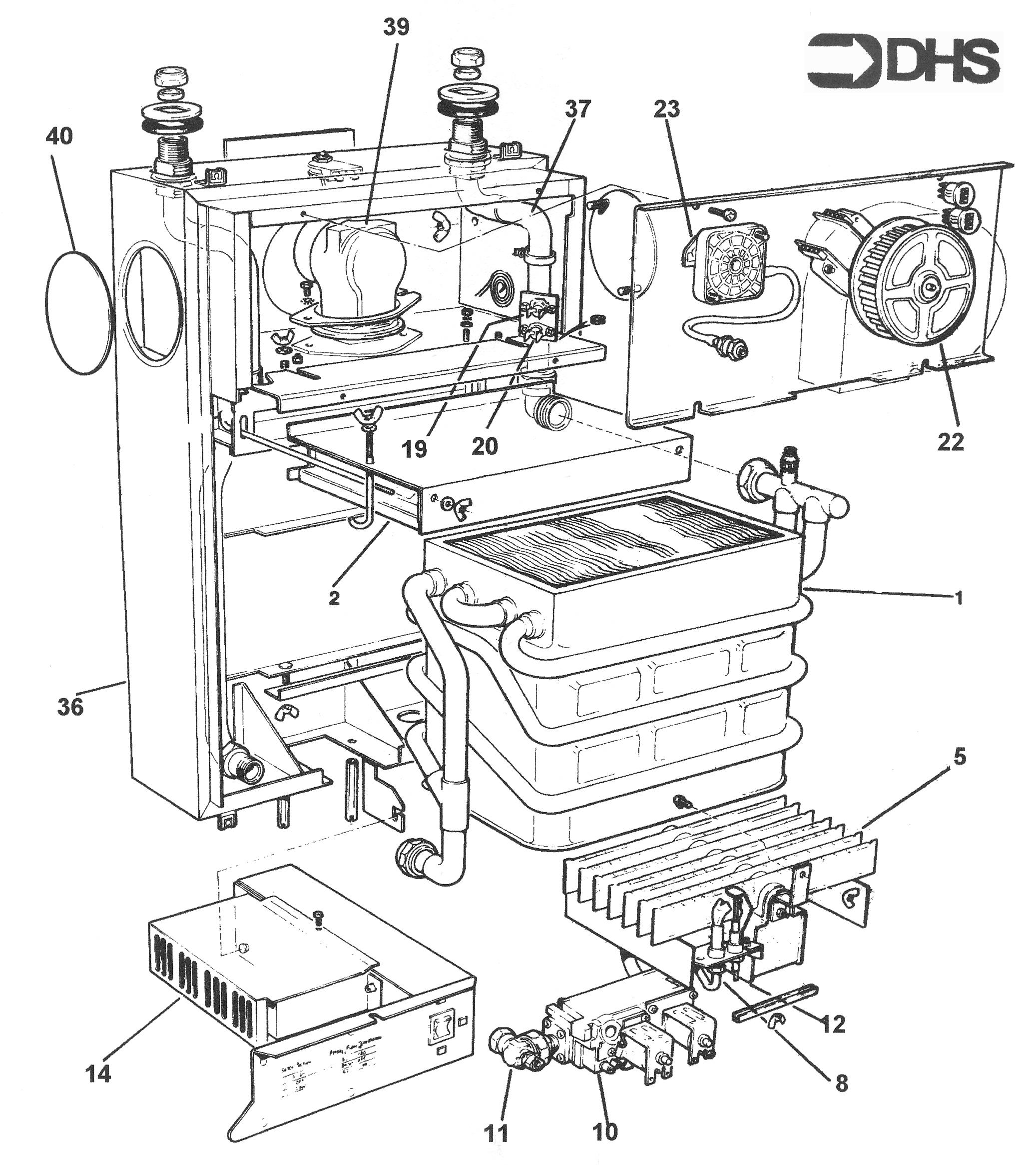
Ideal Domestic Elan 2 40F / BOILER ASSY
Brand: Ideal Domestic Range: ELAN 2 Model: 40F GC Number: 41-415-62
We offer a wide range of spare parts for the Ideal Domestic Elan 2 40F. Can't find the part you're looking for? You can contact us and a member of our team will be more than happy to help find the part you need.
All of our boiler manuals are free to download from our boiler manuals section
