Ideal Domestic Classic FF 230

We offer a wide range of spare parts for the Ideal Domestic Classic FF 230. Can't find the part you're looking for? You can contact us (using the details at the bottom of the page) and we'll be happy to help you find the part you need.

All of our boiler manuals are free to download from our boiler manuals section.

ALL PARTS
BOILER ASSEMBLY logo
BOILER ASSEMBLY
BURNER ASSEMBLY logo
BURNER ASSEMBLY
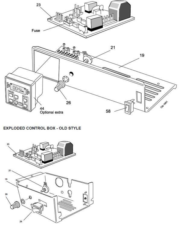
CONTROLS ASSEMBLY logo
CONTROLS ASSEMBLY
SHORT PARTS LIST