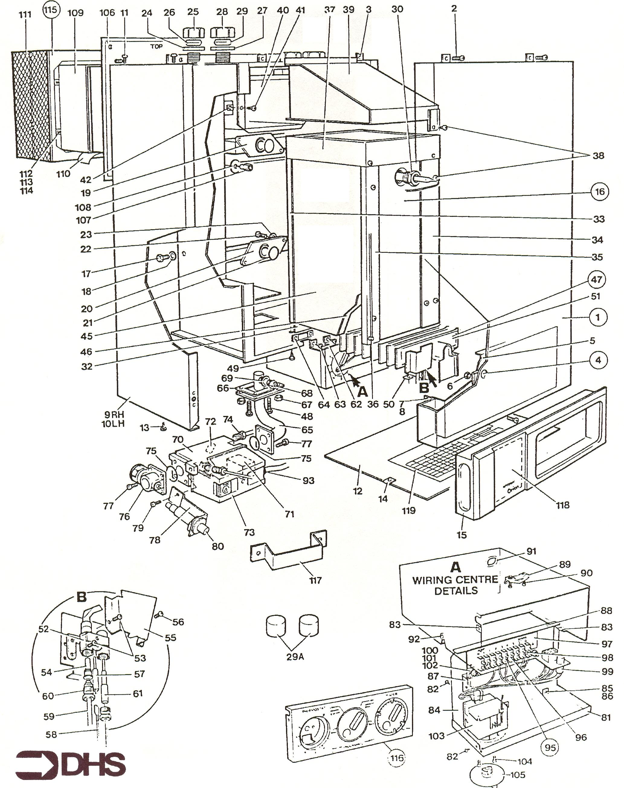
Myson Orion 40 B / COMPLETE MODEL
Brand: Myson Range: ORION Model: 40 B
We have a range of spare parts for the Myson Orion 40 B. Can't find the part you're looking for? You can contact us and a member of our team will be more than happy to help find the part you need.
Installation ManualAll of our boiler manuals are free to download from our boiler manuals section
