Myson Orion 30 B / COMPLETE MODEL
Brand: Myson Range: ORION Model: 30 B
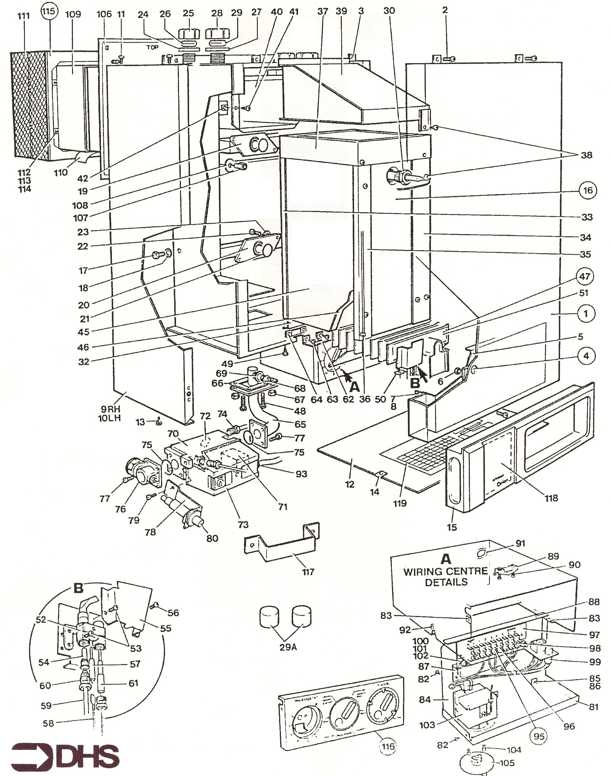
Here you will find all the spare parts for the Myson Orion 30 B. Can't find the part you're looking for? You can contact us and a member of our team will be more than happy to help find the part you need.
Installation ManualAll of our boiler manuals are free to download from our boiler manuals section
