Baxi Bermuda 552 / CONTROLS
Brand: Baxi Range: Bermuda Model: 552 GC Number: 44-077-50
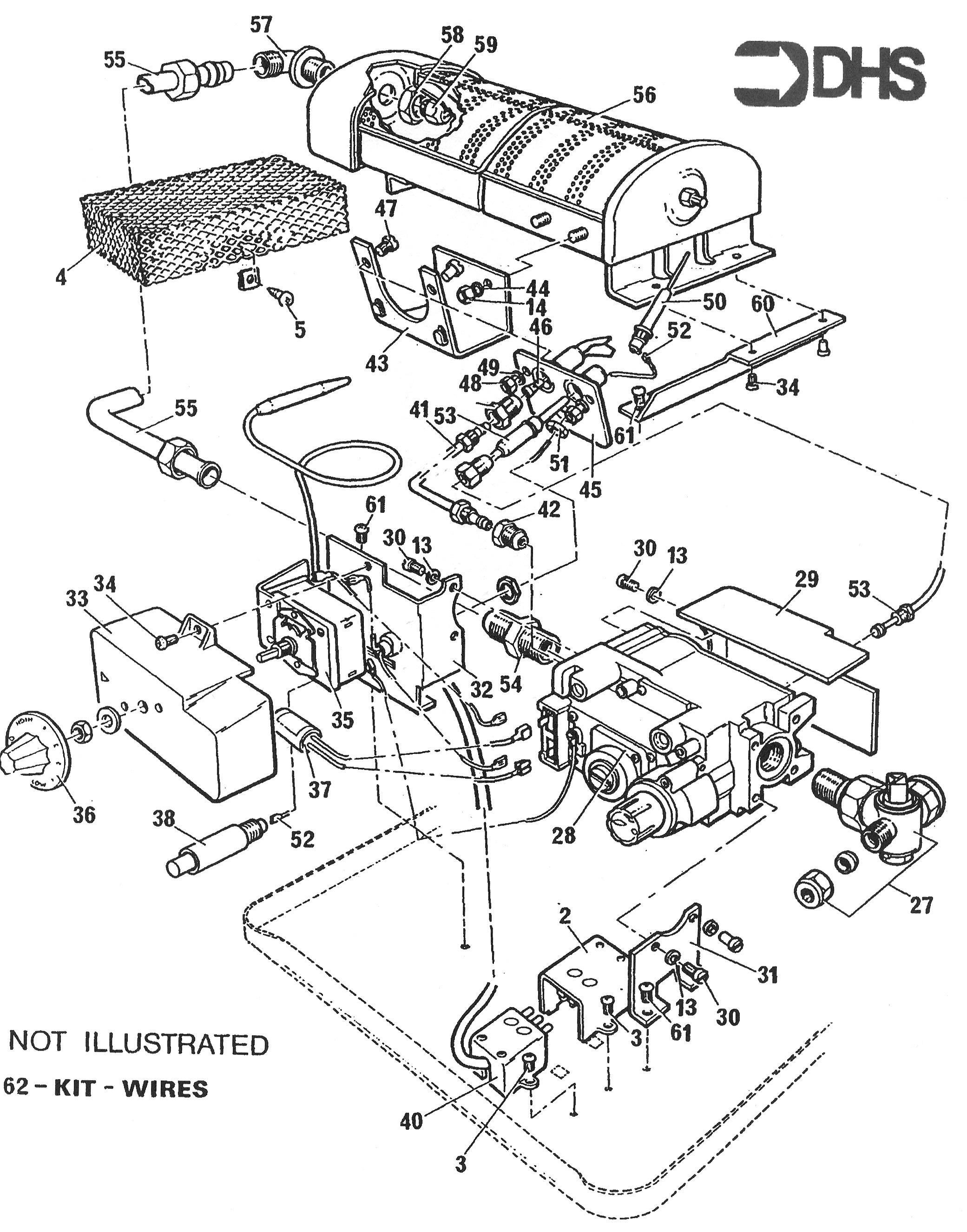
Here you will find all the spare parts for the Baxi Bermuda 552. Can't find the part you're looking for? You can contact us and a member of our team will be more than happy to help find the part you need.
All of our boiler manuals are free to download from our boiler manuals section
53 Baxi 102005 Thermocouple - 18/24 Honeywell Q309A2721 STD - Bermuda/Brazilia
Part No: 1110952 MPN: 102005
3 Baxi 062532 Screw Tf M4 x 8mm Pan Pozi Zinc Plated - Bermuda/Barcelona/Boston
Part No: 1110602 MPN: 062532
005
Baxi 062571 Screw St No8 x 1/2 Pan.Hd Pz Zinc Plated A - Bermuda/Boston/Gas Flam
Part No: 1110616 MPN: 062571
34
Baxi 062560 Screw Tf M4 x 6mm Pan Pozi Zinc Plated - Bermuda/Apollo/Gas Flame
Part No: 1110612 MPN: 062560
