Hamworthy Purewell Classic P.Pilot Pc105

We offer a wide range of spare parts for the Hamworthy Purewell Classic P.Pilot Pc105. Can't find the part you're looking for? You can contact us (using the details at the bottom of the page) and we'll be happy to help you find the part you need.

All of our boiler manuals are free to download from our boiler manuals section.

ALL PARTS
ALL PARTS
BURNER AND BASKET ASSEMBLY logo
BURNER AND BASKET ASSEMBLY
CASING ASSEMBLY
CONTROL PANEL logo
CONTROL PANEL
GAS TRAIN ASSEMBLY LPG logo
GAS TRAIN ASSEMBLY LPG
GAS TRAIN ASSEMBLY LPG FFD logo
GAS TRAIN ASSEMBLY LPG FFD
GAS TRAIN ASSEMBLY NAT GAS logo
GAS TRAIN ASSEMBLY NAT GAS
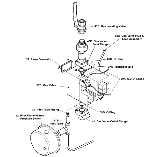
GAS TRAIN ASSEMBLY NAT GAS FFD logo
GAS TRAIN ASSEMBLY NAT GAS FFD
WET SECTION ASSEMBLY logo
WET SECTION ASSEMBLY