Vaillant Ecomax 828/2 E (2001-2007)

We offer a wide range of spare parts for the Vaillant Ecomax 828/2 E (2001-2007). Can't find the part you're looking for? You can contact us (using the details at the bottom of the page) and we'll be happy to help you find the part you need.

All of our boiler manuals are free to download from our boiler manuals section.

ALL PARTS
BURNER logo
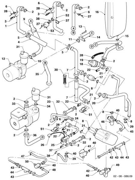
BURNER
CASING PARTS logo
CASING PARTS
CONNECTION PARTS logo
CONNECTION PARTS
CONTROL PANEL logo
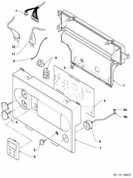
CONTROL PANEL
HEAT EXCHANGER logo
HEAT EXCHANGER