Vaillant Ecomax 824/2 E (2001-2007)

We offer a wide range of spare parts for the Vaillant Ecomax 824/2 E (2001-2007). Can't find the part you're looking for? You can contact us (using the details at the bottom of the page) and we'll be happy to help you find the part you need.

All of our boiler manuals are free to download from our boiler manuals section.

ALL PARTS
BURNER logo
BURNER
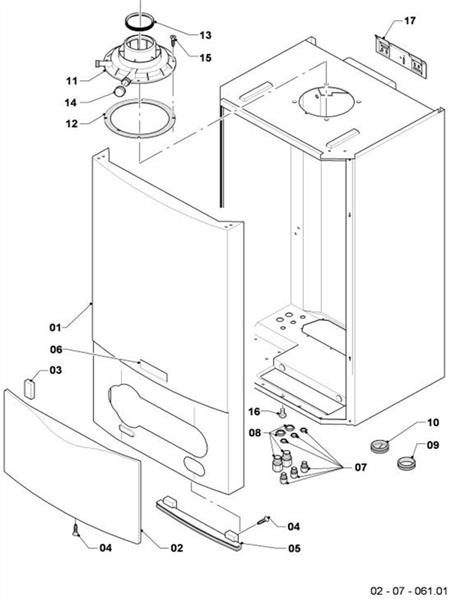
CASING PARTS logo
CASING PARTS
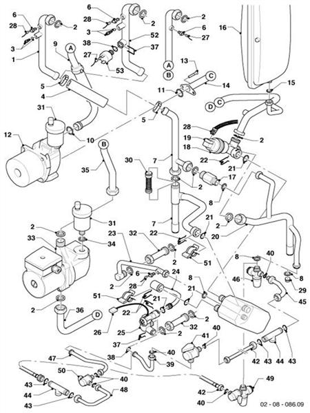
CONNECTION PARTS logo
CONNECTION PARTS
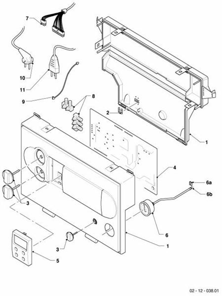
CONTROL PANEL logo
CONTROL PANEL
HEAT EXCHANGER logo
HEAT EXCHANGER