Glowworm Ultimate 30 FF / FAN
Brand: Glowworm Range: ULTIMATE Model: 30 FF GC Number: 41-319-56
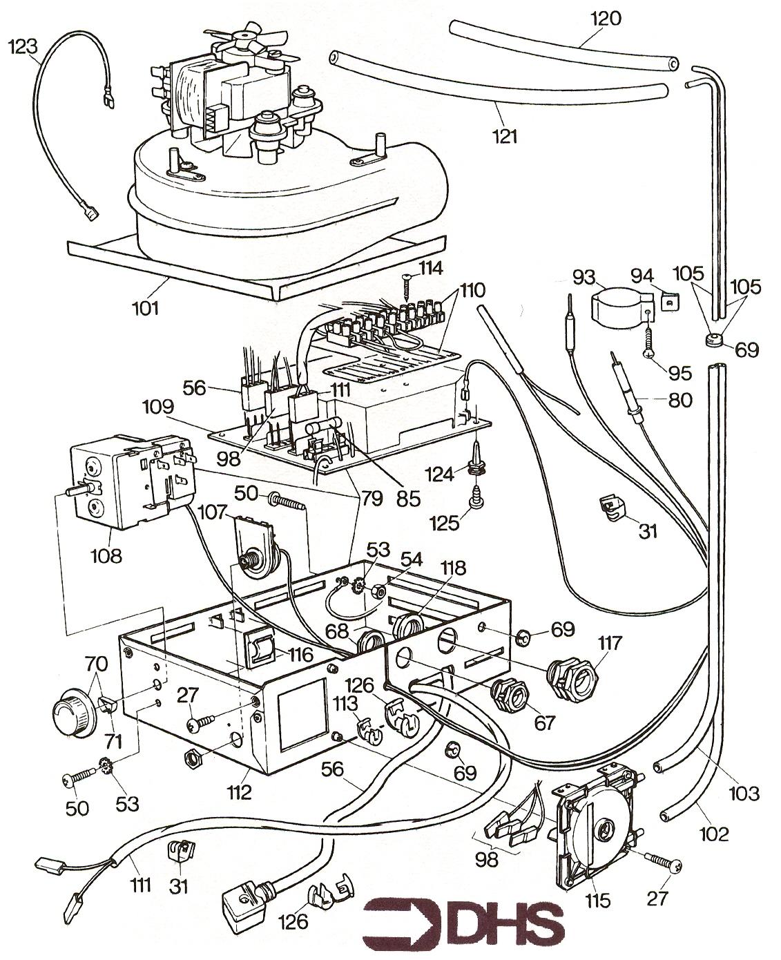
We have a range of spare parts for the Glowworm Ultimate 30 FF. Can't find the part you're looking for? You can contact us and a member of our team will be more than happy to help find the part you need.
All of our boiler manuals are free to download from our boiler manuals section
