Glowworm Swiftflow 100 / ELECTRONICS
Brand: Glowworm Range: SWIFTFLOW Model: 100 GC Number: 47-313-07
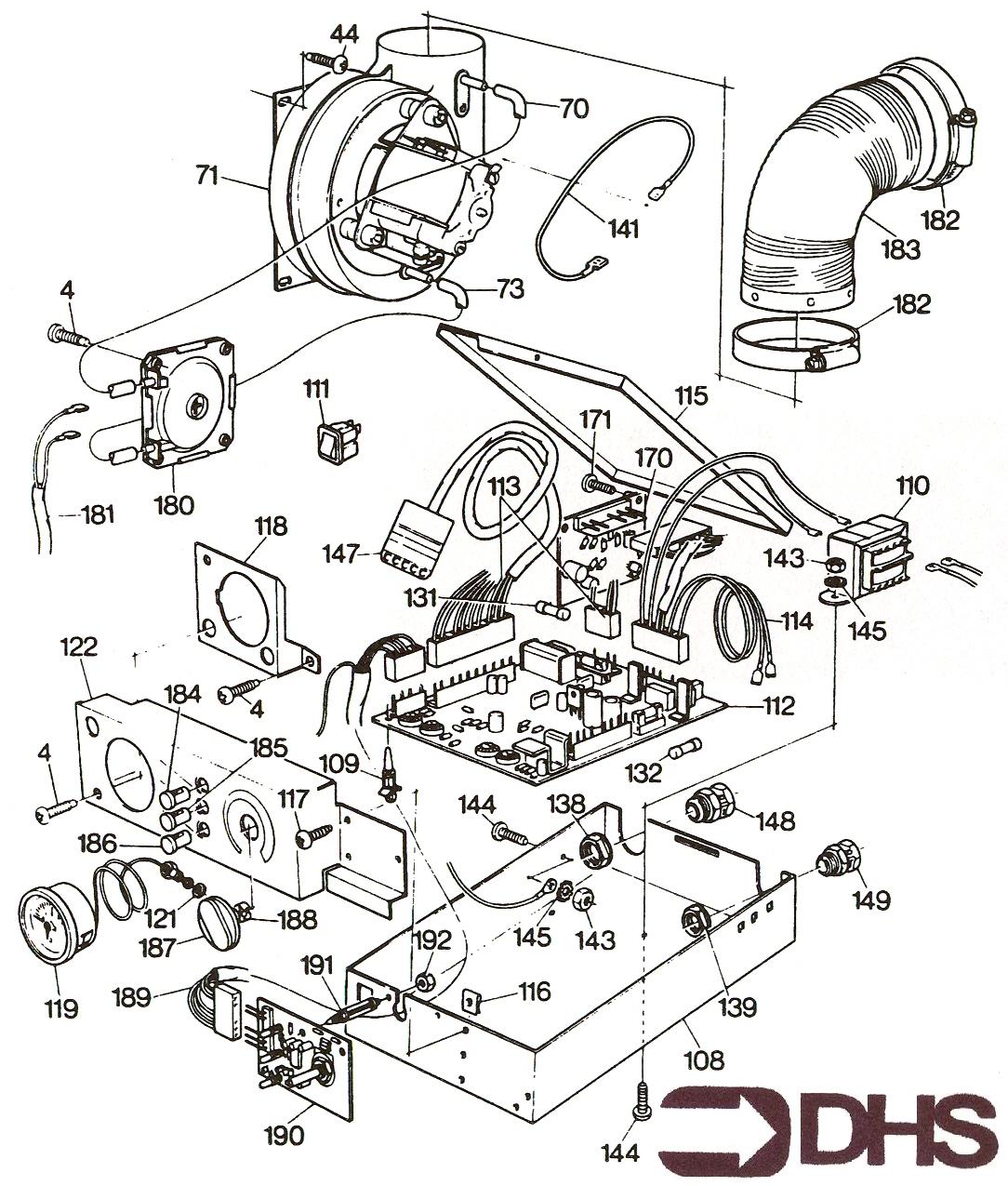
We have a range of spare parts for the Glowworm Swiftflow 100. Can't find the part you're looking for? You can contact us and a member of our team will be more than happy to help find the part you need.
All of our boiler manuals are free to download from our boiler manuals section
