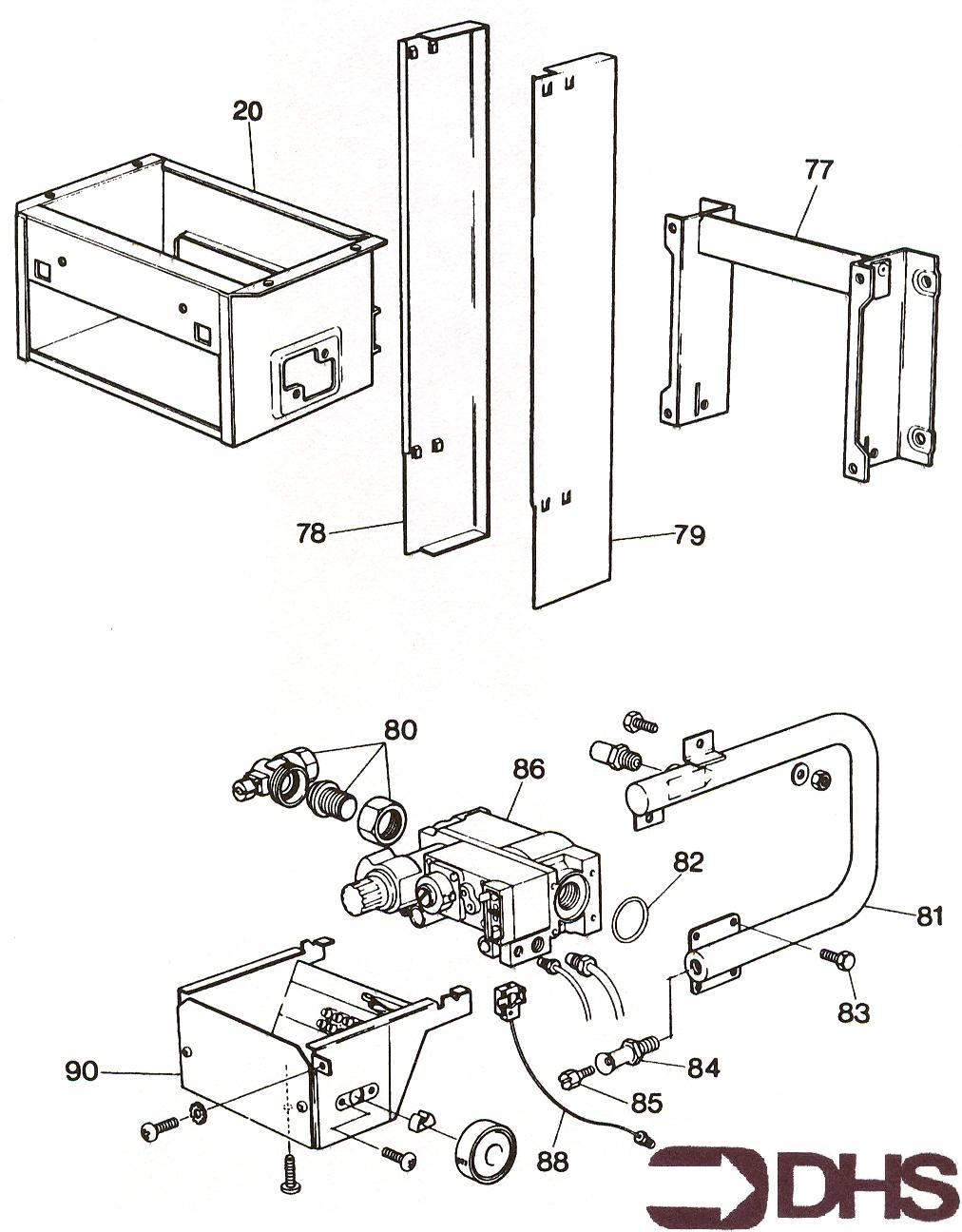
Glowworm Spacesaver MK2 40 Cf / WALL FRAME
Brand: Glowworm Range: SPACESAVER Model: MK2 40 CF GC Number: 41-315-89
Here you will find all the spare parts for the Glowworm Spacesaver MK2 40 Cf. Can't find the part you're looking for? You can contact us and a member of our team will be more than happy to help find the part you need.
All of our boiler manuals are free to download from our boiler manuals section
