Glowworm Spacesaver Complheat 60

We offer a wide range of spare parts for the Glowworm Spacesaver Complheat 60. Can't find the part you're looking for? You can contact us (using the details at the bottom of the page) and we'll be happy to help you find the part you need.

All of our boiler manuals are free to download from our boiler manuals section.

BURNER ASSY logo
BURNER ASSY
CASING logo
CASING
CONTROL ASSY logo
CONTROL ASSY
EXPANSION VESSEL logo
EXPANSION VESSEL
FLUE ASSY logo
FLUE ASSY
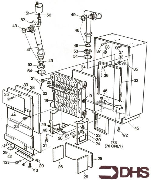
FULL PARTS LISTING FOR THIS MO
HEAT EXCHANGER ASSY logo
HEAT EXCHANGER ASSY
SHORT PARTS LIST