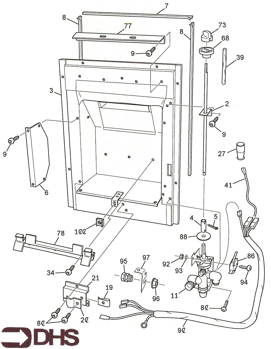
Glowworm Revival 2 FIRE / COMBUSTION CHAMBER
Brand: Glowworm Range: REVIVAL 2 Model: FIRE GC Number: 32-314-54
Here you can find the spare parts for the Glowworm Revival 2 FIRE. Can't find the part you're looking for? You can contact us and a member of our team will be more than happy to help find the part you need.
All of our boiler manuals are free to download from our boiler manuals section
